分类
特 点 Features
● 常规通用。General purpose.
● 结构紧凑,体积小,性价比高。
Compact structure, small size, high cost performance.
应 用 Application
● 抑制沿电源线传输的工业无线电干扰。
Suppress industrial radio interference transmitted
along the power line.
性能指标 Characteristcs
额定电压Rated voltage | 440/250VAC |
工作频率 Operating Frequency | DC~60Hz |
额定电流Rated curren | 5~200A@40℃max. |
耐压试验 (60s) Test Voltage | 1500VDC(线-线Line - line) 2250VDC(线-地Line - ground) 3000VDC/2S |
气候类别 Climate category | 40/100/21 |
产品型号表 Filter Table
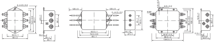
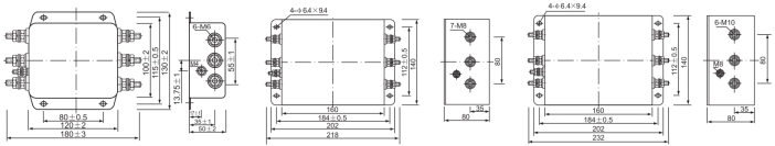
型号 model | 接线方式:输入输出 | 额定电流A Rated curren | 接地电容量nF Grounding capacity | 放电电阻KΩ resistance | 电路图Fig. Circuit diagram | 外形尺寸Fig. Outline Drawing | ||
|
| ![]() | ||||||
YX-311-5- | TT | WW | 5 | 6.8 | 1 | 1/2 | ||
YX-311-10- | TT | WW | 10 | 6.8 | 1 | 1/2 | ||
YX-311-16- | SS | 16 | 6.8 | 2 | 3 | |||
YX-311-20- | SS | 20 | 6.8 | 2 | 3 | |||
YX-311-25- | SS | 25 | 6.8 | 2 | 3 | |||
YX-311-30- | SS | 30 | 6.8 | 2 | 3 | |||
YX-311-50- | SS | 50 | 6.8 | 2 | 4 | |||
YX-311-100- | SS | 100 | 50 | 680 | 3 | 5 | ||
YX-311-150- | SS | 150 | 50 | 680 | 3 | 5 | ||
YX-311-200- | SS | 200 | 50 | 680 | 3 | 6 | ||
电原理图Typical Circuit Diagram

Fig.1 Fig.2 Fig.3
插入损耗 Insertion LOSS in dB (50Ω测量系统,IEC/CISPR No.17号出版物)

5A 10A 16A~25A

30A 50A 100A~200A
外形尺寸图 Outline Drawing : mm

Fig.1 (5~10A) Fig.2 (5~10A) Fig.3 (16~30A)

Fig.4 (50A) Fig.5 (100~150A) Fig.6 (200A)
CopyRight © 2025 常州市南宫ng28有限公司 版权所有 苏ICP备2022034447号-1 网站地图 所有标签 免责声明 中环互联网常州网站建设