分类
特 点 Features
● 体积小,性价比高。Small size, high cost performance.
● 常规通用,安装方便。General purpose, easy to install.
应 用 Application
● 各种电子设备和电子测量仪器。
All kinds of electronic equipment and electronic
measuring instruments.
性能指标 Characteristcs
额定电压Rated voltage | 250VAC,50/60Hz;250VDC |
工作频率 Operating Frequency | DC~400Hz |
额定电流Rated curren | 1A~200A@40℃max. |
耐压试验 (60s) Test Voltage | 1500VDC(线-线Line - line) 1500VAC(线-地Line - ground) 3000VDC/2S |
气候类别 Climate category | 25/100/21 |
产品型号表 Filter Table
型号 model | 接线方式:输入输出 | 额定电流A Rated curren | MAX泄漏电流mA leakage current | 放电电阻KΩ resistance | 电路图Fig. Circuit diagram | 外形尺寸Fig. Outline Drawing | ||
|
|
| ||||||
YX-211-1- | TT | WW | 1 | 0.7 | 1000 | 1 | 1 | |
YX-211-3- | TT | WW | 3 | 0.7 | 1000 | 1 | 1 | |
YX-211-6- | TT | WW | 6 | 0.7 | 1000 | 1 | 1 | |
YX-211-10- | TT | WW | 10 | 0.7 | 1000 | 1 | 1 | |
YX-211-16- | TT | WW | SS | 16 | 0.7 | 1000 | 1 | 2/3 |
YX-211-20- | TT | WW | SS | 20 | 0.7 | 1000 | 1 | 2/3 |
YX-211-30- | WW | SS | 30 | 0.8 | 1000 | 1 | 4 | |
YX-211-60- | SS | 50 | 0.8 | 330 | 1 | 5 | ||
YX-221-100- | SS | 100 | 1.0 | 330 | 2 | 5 | ||
YX-221-200- | SS | 200 | 1.0 | 330 | 2 | 6 | ||
电原理图Typical Circuit Diagram
Fig.1
Fig.2
插入损耗 Insertion LOSS in dB (50Ω测量系统,IEC/CISPR No.17号出版物)

1A 3A 6A

10A 16A 20A



30A 60A 100A

200A
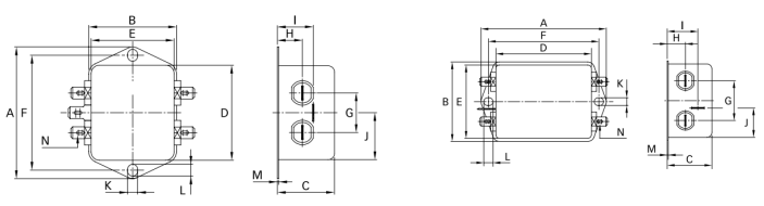
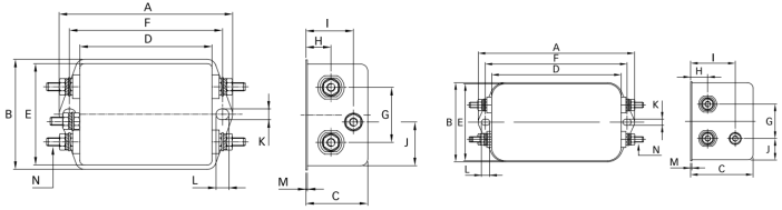
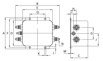
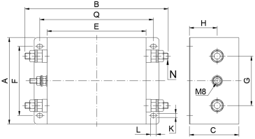
外形尺寸图 Outline Drawing : mm

Fig.1 (1A~10A) Fig.2 (16A~20A)

Fig.3 (16A~20A) Fig.4 (30A)


Fig.5 (60A~100A) Fig.6 (200A)
外形尺寸Fig. | A | B | C | D | E | F | G | H | I | J | K | L | M | N | Q |
1 (1A~10A) | 64 | 35 | 24.3 | 43.5 | 32.5 | 54 | 21 | 9.3 | 15.3 | 21.8 | 5.3 | 6.3 | 0.7 | 6.3×0.8 | |
2 (16A) | 71 | 46.6 | 29.3 | 50.5 | 44.5 | 61 | 21 | 10.8 | 19.3 | 20.1 | 5.3 | 6.3 | 0.7 | 6.3×0.8 | |
2 (20A) | 85 | 54 | 30.3 | 64.8 | 49.8 | 75 | 27 | 12.3 | 20.8 | 19.9 | 5.3 | 6.3 | 0.7 | 6.3×0.8 | |
3 (16A) | 71 | 46.6 | 29.3 | 50.5 | 44.5 | 61 | 21 | 10.8 | 19.3 | 20.1 | 5.3 | 6.3 | 0.7 | M4 | |
3 (20A) | 85 | 54 | 30.3 | 64.8 | 49.8 | 75 | 27 | 12.3 | 20.8 | 19.9 | 5.3 | 6.3 | 0.7 | M4 | |
4 (30A) | 113.5 | 57.5 | 45.4 | 94 | 56 | 103 | 25 | 12.4 | 32.4 | 15.5 | 4.4 | 6 | 1 | M4 | |
5 (60A) | 105 | 145.9 | 57.6 | 84.5 | 99.5 | 95 | 40 | 19.6 | 10.1 | 42.25 | 4.4 | 6 | 1.2 | M6 | 51 |
5 (100A) | 130 | 177 | 50 | 100 | 120 | 115 | 65 | 28 | 28 | 50 | 6.5 | 4.5 | 1.2 | M8 | 80 |
6 (200A) | 140 | 232 | 80 | 160 | 112 | 80 | 45 | 6.4 | 9.4 | M10 | 184 |
CopyRight © 2025 常州市南宫ng28有限公司 版权所有 苏ICP备2022034447号-1 网站地图 所有标签 免责声明 中环互联网常州网站建设